Перейти к содержимому
Аккаунт
Заказы
Корзина
Главная
Каталог товаров
Все категории каталога
Новые товары
Акции на товары
Двери межкомнатные
Входные двери
Арки и порталы
Фурнитура для дверей
Погонаж
Покупателям
Оплата
Доставка
Услуги по установке
Услуги по замеру
О компании
Статьи
Контакты
+7 (977) 318-49-48
8 (495) 142-42-46
Telegram
WhatsApp
Москва, ул.Люблинская, 96
Проложить маршрут
Категории
Оплата
Доставка
Статьи
Контакты
Замер дверей
Установка дверей
+7 (977) 318-49-48
+7 (977) 318-49-48
Мобильный номер
8 (495) 142-42-46
Городской номер
Заказать обратный звонок
Адрес:
Москва, ул.Люблинская, 96
Электронная почта
Адрес электронной почты защищен от спам-ботов. Для просмотра адреса в браузере должен быть включен Javascript.
Режим работы (ежедневно):
09:00 - 20:00
Мессенджеры
WhatsApp
Telegram
Каталог
Межкомнатные двери
Входные двери
Арки и порталы
Фурнитура
Погонаж
Межкомнатные двери
Назначение
Для ванной и туалета
Для кухни
В детскую
Для зала
В гостиную
В спальню
В квартиру
В коридор
В комнату
Для кладовки
Для кабинета
Для гардеробной
Для дачи
Для коттеджа
Для деревянного дома
В офис
Для гостиницы
В новостройку
Еще
Комплектация
Двери с коробкой
Двери в сборе
Двери с четвертью
Двери без наличников
Двери телескопические
Еще
Стоимость
Недорогие
В самый раз
Подороже
До 2000 руб.
От 2000 до 5000 руб.
От 5000 до 10 000 руб.
Свыше 10 000 руб.
Еще
Габариты
Большие двери
Стандартные двери
Нестандартные двери
Высокие двери
Низкие двери
Узкие двери
Еще
Системы
Гармошка
Распашные двустворчатые. Ассиметричные створки
Распашные двустворчатые. Широкие створки
Распашные двустворчатые. Узкие створки
Двери-купе. Twiggy
Двери-купе. Подвесные
Двери-купе. Амбарные
Двери-купе. Откатные
Раздвижные. Двухстворчатые купе
Раздвижные. Двухстворчатые-пенал (встроенные в стену)
Еще
Материал
3D финиш флекс (3d flex)
3D-Graf
Soft touch
Винил
Деревянные
Еврошпон
Краска
Крашеные
Ламинированные
Массив (деревянные)
Массив сосны
Массив ольхи
Массив дуба
Массив под покраску
МДФ
Нано флекс
Патина
ПВХ-пленка
Пластиковые (пластик)
Полипропилен
Стекляные
Тонировка
Финиш-пленка
Шпон
Шпон натуральный
Шпон дуба
Шпон ясеня
Файн-лайн шпон
Эко флекс
Экошпон
Эмалит
Эмаль
Еще
Входные двери
Назначение
В кафе
В квартиру
В котельную
В коттедж
В отель, гостиницу
В офис
В подъезд
В ресторан
В частный дом
Для дачи
Для электрощитовых
Для бойлерной
Парадные
Тамбурные
Технические
Уличные
Наружные
Внутренние
В КХО, КХН
В кассу
Еще
По стилю
Дизайнерские
Эконом класс
Элитные
Эксклюзивные
Ценовые категории
Недорогие
Эконом класс
Элитные
Эксклюзивные
Тип открывания
Наружное
Двухстворчатые
Внутреннее
Класс защиты
2 класс защиты
3 класс защиты
4 класс защиты
Конструкция
Антивандальные
Арочные
Без терморазрыва
Бронированные
Взломостойкие
Двухстворчатые
Звукоизоляционные
Нестандартные
Одностворчатые
Противопожарные
Решетчатые
Со вставками
С боковой вставкой
С верхней вставкой
С терморазрывом
1 терморазрыв
2 терморазрыва
С шумоизоляцией
С фрамугой
Со скрытыми петлями
Тамбурные
Утепленные
Широкие двери
Полуторные
Еще
Избранное
Заказы
0
Корзина
Войти
Межкомнатные двери
Входные двери
Арки и порталы
Фурнитура
Погонаж
Главная
Каталог
Бейджи
Новинка
Фильтр
Цена, ₽
от
до
Стоимость
В самый раз
До 2000 руб.
Недорогие
От 2000 до 5000 руб.
От 5000 до 10 000 руб.
Подороже
Свыше 10 000 руб.
Наличие
В наличии
Нет в наличии
Под заказ
Скоро на складе
Цвет отделки внутри
Агат
Агат ral 7044
Акация светлая поперечная
Антик медный
Астана Эш Уайт
Белое дерево
Белоснежная шагрень
Белоснежный
Белый
Белый ral 9003
Белый ral 9003 патина золото
Белый ral 9003 патина серебро
Белый ral 9003 патина шампань
Белый грунт
Белый ясень
Бетон
Бетон светлый
Бланжевое дерево
Бьянко
Венге
Венге гринвуд
Графит
Грей
Дуб жемчужный
Дуб корица
Дуб мореный
Дуб песочный
Дуб седой
Дуб скай бежевый
Дуб скай белый
Дуб скай серый
Дуб тоскано
Каменное дерево
Капучино
Крем
Лунное дерево
Магнолия
Манхэттен
Миндаль
Молочный ral 9010
Муссон
Ривьера айс
Ривьера грей
Ривьера крем
Ривьера крен-экрю
Рустикальный дуб
Сандал бежевый
Сандал белый
Серый
Серый бетон
Слоновая кость ral 1013
Слоновая кость ral 1013 патина золото
Слоновая кость ral 1013 патина шампань
Тиковое дерево
Ясень Бисквит
Ясень Слоновая кость
Ясень бисквит/ багет тис. патина карамель
Ясень слон. кость/ багет патина золото
Назначение
В гостиную
В детскую
В квартиру
В комнату
В коридор
В новостройку
В офис
В спальню
Для балкона
Для бани и сауны
Для ванной и туалета
Для веранды
Для гардеробной
Для гостиницы
Для дачи
Для деревянного дома
Для зала
Для кабинета
Для кладовки
Для коттеджа
Для кухни
Для террасы
Комплектация
Двери без наличников
Двери в сборе
Двери с коробкой
Двери с четвертью
Двери телескопические
Габариты
Большие двери
Высокие двери
Нестандартные двери
Низкие двери
Стандартные двери
Узкие двери
Широкие двери
Системы
Двери Гармошка
Двери книжка (складные)
Двери купе. Twiggy
Двери купе. Амбарные
Двери купе. Откатные
Двери купе. Подвесные
Раздвижные двери. Двухстворчатые купе
Раздвижные двери. Двухстворчатые-пенал (встроенные в стену)
Распашные двустворчатые двери. Ассиметричные створки
Распашные двустворчатые двери. Узкие створки
Распашные двустворчатые двери. Широкие створки
Материал
3D финиш флекс (3d flex)
3D-Graf
CPL пластик
Master foil
Soft touch
Без отделки
Винил
ДСП
Деревянные
Еврошпон
Краска
Крашеные
Ламинированные
МДФ
Массив дуба
Массив ольхи
Массив под покраску
Массив сосны
Нано флекс
ПВХ-пленка
Патина
Пластиковые (пластик)
Полипропилен
Стекляные
Тонировка
Файн-лайн шпон
Финиш-пленка
Хард Флекс
Шпон дуба
Шпон натуральный
Шпон ясеня
Эко флекс
Экошпон
Эмалит
Эмаль
Назначение
Для квартир
Термодверь
Техническая
По стилю
Дизайнерские
Лофт
Эконом класс
Эксклюзивные
Элитные
Конструкция
1 терморазрыв
2 терморазрыва
Антивандальные
Арочные
Без терморазрыва
Большие
Бронированные
Взломостойкие
Высокие
Двухстворчатые
Звукоизоляционные
Нестандартные
Одностворчатые
Полуторные
Противопожарные
Решетчатые
С боковой вставкой
С верхней вставкой
С терморазрывом
С фрамугой
С шумоизоляцией
Со вставками
Со скрытыми петлями
Тамбурные
Трехконтурные
Утепленные
Широкие двери
Ценовые категории
Недорогие (дешевые)
Эконом класс
Эксклюзивные
Элитные
Тип открывания
Внутреннее
Двухстворчатые
Наружное
Класс защиты
2 класс защиты
3 класс защиты
4 класс защиты
Тип покрытия
3D покрытие
Nanoflex
Nanotex
Pet
Pvc
SoftTouch
Глянцевое покрытие
Грунтованное
Декоративная финиш пленка под покраску
Ламинатин
Массив
Наношпон
Полипропилен
Финиш-пленка
Шпон
Экошпон
Эмалит
Эмаль
Тип полотна
L (Шпон)
Глухая
Глухое с молдингом
Ламинированные
МДФ
Массив сосны + МДФ
Массив ясеня
ПВХ
Со стеклом
Софтач
Стекло с молдингом
Филенчатые
Шпон натуральный
Экошпон
Эмаль
Стиль
Loft
Английский стиль
Винтаж
Гладкие
Глянцевые
Кантри
Классика
Классические
Минимализм
Модерн
Необычные
Неоклассика
Под старину
Скандинавский стиль
Современные
Стильные
Хай-тек
Цвет отделки снаружи
Антик медный
Белый ral 9003 патина серебро
Белый дуб фактурный
Бетон темный
Букле Шоколад
Венге
Гладстоун песочный
Горький шоколад
Графит
Графит альянс
Дуб Филадельфия крем
Дуб коньяк с патиной
Дуб крафт
Дуб тоскано
Коричнево-серый
Крем
Орех премиум
Серый
Серый софт
Титан
Титан черный
Черное серебро
Черный мягкая шагрень
Штукатурка графит
Толщина
0.8
10
12
14
15
16
17
20
21
26
28
30
32
33
34
35
36
38
40
42
43
44
6
60
7
8
9.3
Открывание
Левое
Правое
Универсальное
Тип кромки
Бескромочная технология
Кромка ABS
Кромка ABS черная с 4-х ст.
Кромка AL матовая хром 2х сторон
Кромка AL матовая хром 3-х сторон
Кромка AL матовая хром 4-х сторон
Кромка AL черная с 3-х сторон
Кромка AL черная с 4-х сторон
Толщина полотна
102
105
106
110
116
125
126
45
60
86
88
90
Противосъемные ригели
2
3
Толщина металла
0.5
0.6
0.8
1.2
1.5
Толщина короба
100
101
102
115
145
151
50
52
70
75
80
90
Поиск
Новинка
Сортировка
Сначала недорогие
Сначала дорогие
По новизне
По наименованию
Фильтры
Новинка
В наличии
F0000103460
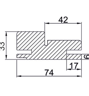
Коробка прямая МДФ nanotex, сан-ремо шоколад 2070х74х33...
835 ₽
В корзину
Купить в 1 клик
Новинка
В наличии
F0000103461
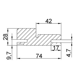
Коробка прямая МДФ Soft-touch, белый бархат 2070х74х33...
1 009 ₽
В корзину
Купить в 1 клик
Новинка
В наличии
F0000103462
Коробка прямая МДФ Soft-touch, белый ясень 2070х74х33 (под...
1 009 ₽
В корзину
Купить в 1 клик
Новинка
В наличии
F0000103463
Коробка прямая МДФ Soft-touch, серый бархат 2070х74х33...
1 009 ₽
В корзину
Купить в 1 клик
Новинка
В наличии
F0000103464
Коробка прямая МДФ Soft-touch, серый ясень 2070х74х33 (под...
1 009 ₽
В корзину
Купить в 1 клик
Новинка
В наличии
F0000092356
Коробка прямая МДФ эмаль, Агат Ral7044, 72*40*2070...
1 350 ₽
В корзину
Купить в 1 клик
Новинка
В наличии
F0000092357
Коробка прямая МДФ эмаль, Айвори Ral1013, 72*40*2070...
1 350 ₽
В корзину
Купить в 1 клик
Новинка
В наличии
F0000092358
Коробка прямая МДФ эмаль, Белый Ral9003, 72*40*2070...
1 350 ₽
В корзину
Купить в 1 клик
Новинка
Под заказ
F0000092359
Коробка прямая МДФ эмаль, Светло серый Ral9018, 72*40*2070...
1 275 ₽
В корзину
Купить в 1 клик
Новинка
В наличии
F0000090691
Коробка прямая сендвич soft-touch, белый бархат...
1 009 ₽
В корзину
Купить в 1 клик
Новинка
В наличии
F0000090701
Коробка прямая сендвич soft-touch, белый ясень 74*33*2070,...
1 009 ₽
В корзину
Купить в 1 клик
Новинка
В наличии
F0000090696
Коробка прямая сендвич soft-touch, серый бархат...
1 009 ₽
В корзину
Купить в 1 клик
Новинка
В наличии
F0000090706
Коробка прямая сендвич soft-touch, серый ясень 74*33*2070,...
1 009 ₽
В корзину
Купить в 1 клик
Новинка
Под заказ
F0000054281
Коробка прямая сендвич эмаль, Агат Ral7044, 72*40*2070...
1 245 ₽
В корзину
Купить в 1 клик
Новинка
В наличии
F0000054278
Коробка прямая сендвич эмаль, Айвори Ral1013, 72*40*2070...
1 350 ₽
В корзину
Купить в 1 клик
Новинка
Под заказ
F0000054293
Коробка прямая сендвич эмаль, Белый Ral9003, 72*40*2070...
1 275 ₽
В корзину
Купить в 1 клик
Новинка
Под заказ
F0000086198
Коробка прямая сендвич эмаль, Светло серый Ral9018,...
1 419 ₽
В корзину
Купить в 1 клик
Новинка
В наличии
F0000071282
Коробка прямая сэндвич nanotex, сан-ремо крем 74*33*2070...
835 ₽
В корзину
Купить в 1 клик
Новинка
В наличии
F0000071283
Коробка прямая сэндвич nanotex, сан-ремо натуральный...
835 ₽
В корзину
Купить в 1 клик
Новинка
В наличии
F0000071284
Коробка прямая сэндвич nanotex, сан-ремо серый 74*33*2070...
835 ₽
В корзину
Купить в 1 клик
Новинка
В наличии
F0000071285
Коробка прямая сэндвич nanotex, сан-ремо шоколад...
835 ₽
В корзину
Купить в 1 клик
Новинка
В наличии
F0000054306
Наличник прямой (телескоп, шпон Бьянко, 2150*10*80)
960 ₽
В корзину
Купить в 1 клик
Новинка
В наличии
F0000054309
Наличник прямой (телескоп, шпон Крем, 2150*10*80)
960 ₽
В корзину
Купить в 1 клик
Новинка
В наличии
F0000070765
Наличник прямой (телескоп, шпон Ясень белоснежный,...
960 ₽
В корзину
Купить в 1 клик
Новинка
В наличии
F0000071286
Наличник прямой nanotex телескопический, сан-ремо крем...
492 ₽
В корзину
Купить в 1 клик
Новинка
В наличии
F0000071287
Наличник прямой nanotex телескопический, сан-ремо...
492 ₽
В корзину
Купить в 1 клик
Новинка
В наличии
F0000071288
Наличник прямой nanotex телескопический, сан-ремо серый...
492 ₽
В корзину
Купить в 1 клик
Новинка
В наличии
F0000071289
Наличник прямой nanotex телескопический, сан-ремо шоколад...
492 ₽
В корзину
Купить в 1 клик
Новинка
В наличии
F0000090692
Наличник прямой МДФ soft-touch, белый бархат 80*10*2150,...
590 ₽
В корзину
Купить в 1 клик
Новинка
В наличии
F0000090702
Наличник прямой МДФ soft-touch, белый ясень 80*10*2150,...
590 ₽
В корзину
Купить в 1 клик
Новинка
В наличии
F0000090697
Наличник прямой МДФ soft-touch, серый бархат 80*10*2150,...
590 ₽
В корзину
Купить в 1 клик
Новинка
В наличии
F0000090707
Наличник прямой МДФ soft-touch, серый ясень 80*10*2150,...
590 ₽
В корзину
Купить в 1 клик
Новинка
В наличии
F0000054274
Наличник прямой МДФ эмаль, Агат Ral7044, 70*10*2150...
720 ₽
В корзину
Купить в 1 клик
Новинка
В наличии
F0000054279
Наличник прямой МДФ эмаль, Айвори Ral1013, 70*10*2150...
720 ₽
В корзину
Купить в 1 клик
Новинка
В наличии
F0000054288
Наличник прямой МДФ эмаль, Белый Ral9003, 70*10*2150...
720 ₽
В корзину
Купить в 1 клик
Новинка
Под заказ
F0000086199
Наличник прямой МДФ эмаль, Светло серый Ral9018,...
660 ₽
В корзину
Купить в 1 клик
Новинка
В наличии
F0000103460
Коробка прямая МДФ nanotex, сан-ремо шоколад 2070х74х33...
835 ₽
Новинка
В наличии
F0000103461
Коробка прямая МДФ Soft-touch, белый бархат 2070х74х33...
1 009 ₽
Новинка
В наличии
F0000103462
Коробка прямая МДФ Soft-touch, белый ясень 2070х74х33 (под...
1 009 ₽
Новинка
В наличии
F0000103463
Коробка прямая МДФ Soft-touch, серый бархат 2070х74х33...
1 009 ₽
Новинка
В наличии
F0000103464
Коробка прямая МДФ Soft-touch, серый ясень 2070х74х33 (под...
1 009 ₽
Новинка
В наличии
F0000092356
Коробка прямая МДФ эмаль, Агат Ral7044, 72*40*2070...
1 350 ₽
Новинка
В наличии
F0000092357
Коробка прямая МДФ эмаль, Айвори Ral1013, 72*40*2070...
1 350 ₽
Новинка
В наличии
F0000092358
Коробка прямая МДФ эмаль, Белый Ral9003, 72*40*2070...
1 350 ₽
Новинка
Под заказ
F0000092359
Коробка прямая МДФ эмаль, Светло серый Ral9018, 72*40*2070...
1 275 ₽
Новинка
В наличии
F0000090691
Коробка прямая сендвич soft-touch, белый бархат...
1 009 ₽
Новинка
В наличии
F0000090701
Коробка прямая сендвич soft-touch, белый ясень 74*33*2070,...
1 009 ₽
Новинка
В наличии
F0000090696
Коробка прямая сендвич soft-touch, серый бархат...
1 009 ₽
Новинка
В наличии
F0000090706
Коробка прямая сендвич soft-touch, серый ясень 74*33*2070,...
1 009 ₽
Новинка
Под заказ
F0000054281
Коробка прямая сендвич эмаль, Агат Ral7044, 72*40*2070...
1 245 ₽
Новинка
В наличии
F0000054278
Коробка прямая сендвич эмаль, Айвори Ral1013, 72*40*2070...
1 350 ₽
Новинка
Под заказ
F0000054293
Коробка прямая сендвич эмаль, Белый Ral9003, 72*40*2070...
1 275 ₽
Новинка
Под заказ
F0000086198
Коробка прямая сендвич эмаль, Светло серый Ral9018,...
1 419 ₽
Новинка
В наличии
F0000071282
Коробка прямая сэндвич nanotex, сан-ремо крем 74*33*2070...
835 ₽
Новинка
В наличии
F0000071283
Коробка прямая сэндвич nanotex, сан-ремо натуральный...
835 ₽
Новинка
В наличии
F0000071284
Коробка прямая сэндвич nanotex, сан-ремо серый 74*33*2070...
835 ₽
Новинка
В наличии
F0000071285
Коробка прямая сэндвич nanotex, сан-ремо шоколад...
835 ₽
Новинка
В наличии
F0000054306
Наличник прямой (телескоп, шпон Бьянко, 2150*10*80)
960 ₽
Новинка
В наличии
F0000054309
Наличник прямой (телескоп, шпон Крем, 2150*10*80)
960 ₽
Новинка
В наличии
F0000070765
Наличник прямой (телескоп, шпон Ясень белоснежный,...
960 ₽
Новинка
В наличии
F0000071286
Наличник прямой nanotex телескопический, сан-ремо крем...
492 ₽
Новинка
В наличии
F0000071287
Наличник прямой nanotex телескопический, сан-ремо...
492 ₽
Новинка
В наличии
F0000071288
Наличник прямой nanotex телескопический, сан-ремо серый...
492 ₽
Новинка
В наличии
F0000071289
Наличник прямой nanotex телескопический, сан-ремо шоколад...
492 ₽
Новинка
В наличии
F0000090692
Наличник прямой МДФ soft-touch, белый бархат 80*10*2150,...
590 ₽
Новинка
В наличии
F0000090702
Наличник прямой МДФ soft-touch, белый ясень 80*10*2150,...
590 ₽
Новинка
В наличии
F0000090697
Наличник прямой МДФ soft-touch, серый бархат 80*10*2150,...
590 ₽
Новинка
В наличии
F0000090707
Наличник прямой МДФ soft-touch, серый ясень 80*10*2150,...
590 ₽
Новинка
В наличии
F0000054274
Наличник прямой МДФ эмаль, Агат Ral7044, 70*10*2150...
720 ₽
Новинка
В наличии
F0000054279
Наличник прямой МДФ эмаль, Айвори Ral1013, 70*10*2150...
720 ₽
Новинка
В наличии
F0000054288
Наличник прямой МДФ эмаль, Белый Ral9003, 70*10*2150...
720 ₽
Новинка
Под заказ
F0000086199
Наличник прямой МДФ эмаль, Светло серый Ral9018,...
660 ₽
1
2
3
4
5
6
7
...
26
Страница 3 из 26
Цена, ₽
от
до
Стоимость
В самый раз
До 2000 руб.
Недорогие
От 2000 до 5000 руб.
От 5000 до 10 000 руб.
Подороже
Свыше 10 000 руб.
Наличие
В наличии
Нет в наличии
Под заказ
Скоро на складе
Цвет отделки внутри
Агат
Агат ral 7044
Акация светлая поперечная
Антик медный
Астана Эш Уайт
Белое дерево
Белоснежная шагрень
Белоснежный
Белый
Белый ral 9003
Белый ral 9003 патина золото
Белый ral 9003 патина серебро
Белый ral 9003 патина шампань
Белый грунт
Белый ясень
Бетон
Бетон светлый
Бланжевое дерево
Бьянко
Венге
Венге гринвуд
Графит
Грей
Дуб жемчужный
Дуб корица
Дуб мореный
Дуб песочный
Дуб седой
Дуб скай бежевый
Дуб скай белый
Дуб скай серый
Дуб тоскано
Каменное дерево
Капучино
Крем
Лунное дерево
Магнолия
Манхэттен
Миндаль
Молочный ral 9010
Муссон
Ривьера айс
Ривьера грей
Ривьера крем
Ривьера крен-экрю
Рустикальный дуб
Сандал бежевый
Сандал белый
Серый
Серый бетон
Слоновая кость ral 1013
Слоновая кость ral 1013 патина золото
Слоновая кость ral 1013 патина шампань
Тиковое дерево
Ясень Бисквит
Ясень Слоновая кость
Ясень бисквит/ багет тис. патина карамель
Ясень слон. кость/ багет патина золото
Назначение
В гостиную
В детскую
В квартиру
В комнату
В коридор
В новостройку
В офис
В спальню
Для балкона
Для бани и сауны
Для ванной и туалета
Для веранды
Для гардеробной
Для гостиницы
Для дачи
Для деревянного дома
Для зала
Для кабинета
Для кладовки
Для коттеджа
Для кухни
Для террасы
Комплектация
Двери без наличников
Двери в сборе
Двери с коробкой
Двери с четвертью
Двери телескопические
Габариты
Большие двери
Высокие двери
Нестандартные двери
Низкие двери
Стандартные двери
Узкие двери
Широкие двери
Системы
Двери Гармошка
Двери книжка (складные)
Двери купе. Twiggy
Двери купе. Амбарные
Двери купе. Откатные
Двери купе. Подвесные
Раздвижные двери. Двухстворчатые купе
Раздвижные двери. Двухстворчатые-пенал (встроенные в стену)
Распашные двустворчатые двери. Ассиметричные створки
Распашные двустворчатые двери. Узкие створки
Распашные двустворчатые двери. Широкие створки
Материал
3D финиш флекс (3d flex)
3D-Graf
CPL пластик
Master foil
Soft touch
Без отделки
Винил
ДСП
Деревянные
Еврошпон
Краска
Крашеные
Ламинированные
МДФ
Массив дуба
Массив ольхи
Массив под покраску
Массив сосны
Нано флекс
ПВХ-пленка
Патина
Пластиковые (пластик)
Полипропилен
Стекляные
Тонировка
Файн-лайн шпон
Финиш-пленка
Хард Флекс
Шпон дуба
Шпон натуральный
Шпон ясеня
Эко флекс
Экошпон
Эмалит
Эмаль
Назначение
Для квартир
Термодверь
Техническая
По стилю
Дизайнерские
Лофт
Эконом класс
Эксклюзивные
Элитные
Конструкция
1 терморазрыв
2 терморазрыва
Антивандальные
Арочные
Без терморазрыва
Большие
Бронированные
Взломостойкие
Высокие
Двухстворчатые
Звукоизоляционные
Нестандартные
Одностворчатые
Полуторные
Противопожарные
Решетчатые
С боковой вставкой
С верхней вставкой
С терморазрывом
С фрамугой
С шумоизоляцией
Со вставками
Со скрытыми петлями
Тамбурные
Трехконтурные
Утепленные
Широкие двери
Ценовые категории
Недорогие (дешевые)
Эконом класс
Эксклюзивные
Элитные
Тип открывания
Внутреннее
Двухстворчатые
Наружное
Класс защиты
2 класс защиты
3 класс защиты
4 класс защиты
Тип покрытия
3D покрытие
Nanoflex
Nanotex
Pet
Pvc
SoftTouch
Глянцевое покрытие
Грунтованное
Декоративная финиш пленка под покраску
Ламинатин
Массив
Наношпон
Полипропилен
Финиш-пленка
Шпон
Экошпон
Эмалит
Эмаль
Тип полотна
L (Шпон)
Глухая
Глухое с молдингом
Ламинированные
МДФ
Массив сосны + МДФ
Массив ясеня
ПВХ
Со стеклом
Софтач
Стекло с молдингом
Филенчатые
Шпон натуральный
Экошпон
Эмаль
Стиль
Loft
Английский стиль
Винтаж
Гладкие
Глянцевые
Кантри
Классика
Классические
Минимализм
Модерн
Необычные
Неоклассика
Под старину
Скандинавский стиль
Современные
Стильные
Хай-тек
Цвет отделки снаружи
Антик медный
Белый ral 9003 патина серебро
Белый дуб фактурный
Бетон темный
Букле Шоколад
Венге
Гладстоун песочный
Горький шоколад
Графит
Графит альянс
Дуб Филадельфия крем
Дуб коньяк с патиной
Дуб крафт
Дуб тоскано
Коричнево-серый
Крем
Орех премиум
Серый
Серый софт
Титан
Титан черный
Черное серебро
Черный мягкая шагрень
Штукатурка графит
Толщина
0.8
10
12
14
15
16
17
20
21
26
28
30
32
33
34
35
36
38
40
42
43
44
6
60
7
8
9.3
Открывание
Левое
Правое
Универсальное
Тип кромки
Бескромочная технология
Кромка ABS
Кромка ABS черная с 4-х ст.
Кромка AL матовая хром 2х сторон
Кромка AL матовая хром 3-х сторон
Кромка AL матовая хром 4-х сторон
Кромка AL черная с 3-х сторон
Кромка AL черная с 4-х сторон
Толщина полотна
102
105
106
110
116
125
126
45
60
86
88
90
Противосъемные ригели
2
3
Толщина металла
0.5
0.6
0.8
1.2
1.5
Толщина короба
100
101
102
115
145
151
50
52
70
75
80
90
Поиск
Каталог
Поиск
Корзина
Избранное
0
Каталог
Быстрый заказ
Укажите свое имя
Укажите свой номер телефона
Я даю согласие на обработку
персональных данных
Заказать
Ваши данные защищены